按應用分類
型號:SDL-O2028B-48S16
產品使用對象:自動生產線
產品執行功能:工件垂直升降
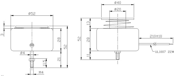
流水線垂直升降電磁鐵參數
| 電壓: | DC48V | 行程: | 10MM | 電阻: | 16歐 | 功率: | 144W |
| 耐溫: | 壽命: | 50萬次 | 耐電壓: | 初始力: | 3KG | ||
| 電流: | 3A | 通電率: | 25% | 彈簧回力: | 吸力: |
流水線垂直升降電磁鐵產品詳情
流水線垂直升降電磁鐵
型號:SDL-O2028B-48S16
參數
行程:10MM
電壓:DC48V
電流:3A
電阻:16歐
功率:144W
初始力:3KG
通電率:25%
壽命:50萬次
單次通電時間:2S
使用率:200次/24H
環境溫度:36度
溫升要求:70度以下
產品使用行業:自動生產線
產品執行功能:工件垂直升降
拓展適用行業:流水線自動化
產品特點:頂起距離準,速度快,持續工作



廣州思德隆電子有限公司(http://m.ljjtjnf.cn)創立于2005年,是一家專業生產研發電磁鐵定制加工,電磁閥定制,電磁線圈,小型電磁鐵等各類電磁產品,擁有豐富行業經驗的廣州電磁鐵廠家、廣州電磁閥廠家、電磁線圈廠家。品種多樣,規格齊全,產品從零部件到成品組裝均有自己的加工設備以及產生線,擁有高精密度檢測儀器和自主研發的老化設備,已通過(ISO9001認證)專業制造推拉式電磁鐵/流水線電磁鐵定制從產品設計到樣品以及量產,均有量化高效的工藝流程及老化實驗檢測,保證了產品的質量與訂單的按時交貨。
關鍵詞:升降電磁鐵,流水線升降電磁鐵,垂直升降電磁鐵
| 上一篇:微型落銷辦公柜鎖電磁鐵 |
| 下一篇:高頻游戲槍擊發電磁鐵 |






